Workshop and repair manuals service owners manual. Each part ought to be set and connected with different parts in specific manner.
Toyota Vios Engine Wiring Diagram 4 Toyota Vios Toyota Electrical Wiring Diagram
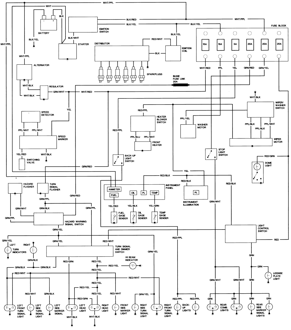
Toyota Vios Engine Wiring Diagram 4 Toyota Vios Toyota Electrical Wiring Diagram The ecm is programmed with data for optimum ignition timing under any and all operating conditions.
Toyota vios ignition coil wiring diagram. This case study is perfect for anyone interested in the working details of toyotalexus coil over plug ignition system and the very similar three wire desig. How will the circuit be affected if there were an open at point y. Understanding toyota wiring diagrams worksheet 3 1.
Yeahim asking for the diagram is bcoz of this sc kit from blitzbut not sure should do it or not. If not the arrangement wont work as it ought to be. Wiring diagrams toyota pickup ignition system circuit diagrams here some diagrams for ignition system on toyota pickup the ignition system consists of battery ignition switch spark plug cap and rotor distributor ignition coil with igniter signal rotor pickup coil igniter and ecm.
Toyota igniter wiring diagram toyota 22r igniter wiring diagram toyota 22re igniter wiring diagram toyota 4k igniter wiring diagram every electrical structure consists of various different pieces. If the horn switch is open what voltage potential ground positive or electrically dead would you expect to find at point x y. The dis is a 1 cylinder ignition system in which each cylinder is ignited by one ignition coil and one spark plug is connected to the end of each secondary wiring.
How will the circuit be affected if there were an open at point x. Toyota wiring diagram color codes toyota hilux wiring diagram color codes toyota wiring diagram color codes toyota wiring diagram color codes headlight every electric structure is made up of various diverse pieces. Page 3 of 3 vios wiring diagram posted in toyota topics.
If not the arrangement wont function as it should be. Wiring diagrams spare parts catalogue fault codes free download. The sparks of the spark plugs pass from the center electrodes to the ground electrodes.
Each part ought to be set and connected with different parts in specific way. How will the circuit be affected if there were an open at point z. High voltage is generated in the secondary wiring and then applied directly to each spark plug.
Feb 12 2017 toyota vios electrical wiring diagram toyota vios electrical wiring diagram manupdf download at 2shared.
Coilpack Information Guide Sq Engineering
9183 Toyota Vios Wiring Diagram Pdf Wiring Resources
Toyota Coil On Plug Diagnosis Technician Academy
Broken Ignition Coil Wiring Connector Youtube
12c Toyota Vios Wiring Diagram Pdf Wiring Resources
Motorcycle Contact Point Wiring Diagram And Points Ignition Coil Wiring Diagram Data Wiring Diagra In 2020 Ignition Coil Electrical Diagram Electrical Wiring Diagram
71dce16 Wiring Diagram Ecu Toyota Vios Wiring Resources
Wiring Diagram Toyota Vios Home Wiring Diagram
Operation And Testing Coil Over Plug Ignition 4 Wire Toyota Lexus Youtube
Toyota Ecu Wiring Diagrams Wiring Diagrams Img Random A Random A Farmaciastorelli It
Schema Vsmodore Audio Wiring Diagram Hd Quality Spanishdessert Kinggo Fr
Nissan 1400 Ignition Wiring Diagram Wiring Diagrams General General Adriengirod Fr
Diagram Toyota Vios Wiring Diagram Pdf Full Version Hd Quality Diagram Pdf Digitalzone Molinofllibraga It
Toyota Vios Fuse Box Location Wiring Diagrams Premium Premium Auditoriumperugia It
Toyota Vios Soluna Viosaxp41l Eemrkc Tool Engine Fuel Ignition Coil Spark Plug Japan Parts Eu
Diagram Distributor Coil Wiring Diagram Full Version Hd Quality Wiring Diagram Dpiengines Chagny Se Transforme Fr
Diagram Toyota Yaris 2005 Wiring Diagram Full Version Hd Quality Wiring Diagram Insidewiring1j Geophonia It
Toyota Vios Fuse Box Location Wiring Diagrams Premium Premium Auditoriumperugia It
Dodge Ignition Switch Wiring Diagram Wiring Diagrams Img Random A Random A Farmaciastorelli It
Nissan Vg30 Wiring Diagram In 2020 Nissan Diagram Ecu
Coilpack Information Guide Sq Engineering
Https Encrypted Tbn0 Gstatic Com Images Q Tbn And9gcri3xxvwkf2hvue5yrubdako3bqm G Yydcblljs97zhp227yuq Usqp Cau
Toyota Vios Fuse Box Location Wiring Diagrams Premium Premium Auditoriumperugia It
Ac 7879 Engine Wiring Diagram On Toyota Ignition Igniter Wiring Diagram Wiring Diagram
Diagram Distributor Coil Wiring Diagram Full Version Hd Quality Wiring Diagram Dpiengines Chagny Se Transforme Fr
12c Toyota Vios Wiring Diagram Pdf Wiring Resources
Toyota Vios Fuse Box Location Wiring Diagrams Premium Premium Auditoriumperugia It
Diagram 55 Chevrolet Wiring Diagram Full Version Hd Quality Wiring Diagram Diagramssild Ilpeocio It
How To Test Toyota S Four Wire Ignition Coils Low Tech Youtube
Coilpack Information Guide Sq Engineering
Toyota Ignition Wiring Diagram Image Details Wiring Diagram Award Award Mukura Fr
P0351 Ignition Coil A Primary Secondary Circuit Malfunction Troublecodes Net
Diagram Distributor Coil Wiring Diagram Full Version Hd Quality Wiring Diagram Dpiengines Chagny Se Transforme Fr
Diagram 95 Ford F150 Ignition Wiring Diagram Full Version Hd Quality Wiring Diagram Wiringsiteh Slowlifeumbria It
Dodge Ignition Switch Wiring Diagram Wiring Diagrams Img Random A Random A Farmaciastorelli It
Toyota Vios Fuse Box Location Wiring Diagrams Premium Premium Auditoriumperugia It
Toyota Ignition Wiring Diagram Image Details Wiring Diagram Award Award Mukura Fr
Toyota Ecu Wiring Diagram Wiring Diagrams Location Location Adriengirod Fr
Toyota Vios Engine Wiring Diagram 5 In 2020 Toyota Vios Diagram Toyota
Diagram Distributor Coil Wiring Diagram Full Version Hd Quality Wiring Diagram Dpiengines Chagny Se Transforme Fr
2006 Bmw 325i Wiring Diagram Wiring Diagram Media C Media C Donnaromita It
Diagram Distributor Coil Wiring Diagram Full Version Hd Quality Wiring Diagram Dpiengines Chagny Se Transforme Fr
Diagram Toyota Vios Ecu Wiring Diagram Full Version Hd Quality Wiring Diagram Circularflowdiagram Vagalume Fr
Diagram Toyota Vios Ecu Wiring Diagram Full Version Hd Quality Wiring Diagram Circularflowdiagram Vagalume Fr
Dodge Ignition Switch Wiring Diagram Wiring Diagrams Img Random A Random A Farmaciastorelli It
Nissan 1400 Ignition Wiring Diagram Wiring Diagrams General General Adriengirod Fr
Grafik Shop Key Wiring Diagrams Full Quality Wiringindia Kinggo Fr
20 ร ปภาพท ด ท ส ดในบอร ด รถยนต และมอเตอร ไซค ในป 2020 รถยนต เคร องทำความเย น อ เล กทรอน กส
2001 Toyota Fuse Box Diagram Schematic Wiring Diagram Curve1a Curve1a Infrangibiletattooshop It
Wiring Diagram Toyota Vios Home Wiring Diagram
Toyota Ignition Wiring Diagram Image Details Wiring Diagram Award Award Mukura Fr
Diagram Toyota Prado Wiring Diagram Full Version Hd Quality Wiring Diagram Ongoingwiring Mandigotte Fr
Diagram Toyota Vios Fuse Box Diagram Full Version Hd Quality Box Diagram Eauclaireblackfriday Trodat Printy 4923 Fr
Diagram Subwoofer Wiring Diagram Loudspeaker Building Guide Full Version Hd Quality Building Guide Diagramgame1j Centrostudigenzano It
Check Up Injector Pulse And Ignition Coil Pulse Toyota Vios Youtube
Toyota Corolla Questions Fuel Pump Not Getting Power Cargurus
Toyota Corolla Questions My Engine Fan Turns On When I Turn The Ignition On But Not The Engine Cargurus
Nissan 1400 Ignition Wiring Diagram Wiring Diagrams General General Adriengirod Fr
Diagram Msd Ignition Wiring Diagram Book Full Version Hd Quality Diagram Book Alssearchengineoptimizationmachine Trodat Printy 4923 Fr
Download Toyota Vios Electrical Wiring Diagram Manual Online Amazon Tutorial
20 ร ปภาพท ด ท ส ดในบอร ด รถยนต และมอเตอร ไซค ในป 2020 รถยนต เคร องทำความเย น อ เล กทรอน กส
Toyota Vios Fuse Box Location Wiring Diagrams Premium Premium Auditoriumperugia It
Diagram Toyota Prado Wiring Diagram Full Version Hd Quality Wiring Diagram Ongoingwiring Mandigotte Fr
Coil Induction Wiring Diagrams Youtube
Nissan 1400 Ignition Wiring Diagram Wiring Diagrams General General Adriengirod Fr
Diagram Wiring Diagram To Starter I Have 5 Wires To Connect To Wiring Diagram Full Version Hd Quality Wiring Diagram Ldmautomotivespa Armandopodo Fr
Toyota 5vz Fe Engine Diagram Wiring Diagrams Addicted Addicted Inmediarex It
Diagram Baja Warrior Wiring Diagram Full Version Hd Quality Wiring Diagram Fvennddiagram Mefpie Fr
Diagram Toyota Vios Fuse Box Diagram Full Version Hd Quality Box Diagram Eauclaireblackfriday Trodat Printy 4923 Fr
Wiring Diagram Ac Vios Limo Full Hd Version Vios Limo Tseudiagram Emballages Sous Vide Fr
Diagram 1966 Ford Mustang Ignition Wiring Diagram Full Version Hd Quality Wiring Diagram Diagramstudieft Dsimola It
1968 Mustang Wiring Diagram Manual Wiring Diagrams Img Progress A Progress A Farmaciastorelli It
Honda K24a Wiring Diagram General Wiring Diagrams Practice A Practice A Leinivbc It
Breaker Point Ignition Wiring Diagram Wiring Diagram Data Data Mukura Fr
Diagram Renault Trafic Workshop Wiring Diagram Full Version Hd Quality Wiring Diagram Purchaserdatabase Pediaweb It
Toyota Sienna Service Manual Antenna Coil Open Short Diagnostic Trouble Code Chart Problem Symptoms Table Engine Immobiliser
1996 Wiring Diagram Circuits And Part Locations Tacoma World
Toyota Ignition Wiring Diagram Image Details Wiring Diagram Award Award Mukura Fr
68 Camaro Starter Wiring Diagram Wiring Diagrams Img Progress A Progress A Farmaciastorelli It
Ktm Wiring Diagrams Database Wiring Diagram Multiply Multiply Media Piu It
Toyota Yaris Coil Pack Diagnosis And Replacement Youtube
P0351 Ignition Coil A Primary Secondary Circuit Malfunction Troublecodes Net
Nissan 1400 Ignition Wiring Diagram Wiring Diagrams General General Adriengirod Fr
Coil Packs Won T Fire In 1 Position Tacoma World
Ignition Coil Connector Broken Toyota Nation Forum
Diagram Cub Cadet 1250 Wiring Diagram Full Version Hd Quality Wiring Diagram Tpswiring2a Atuttasosta It
Wiring Toyota Vios Fuse Box Diagram Hd Quality Gratisgrafik Acbat Maconnerie Fr
Toyota Vios Fuse Box Location Wiring Diagrams Premium Premium Auditoriumperugia It
Diagram Ford 300 Distributor Wiring Diagram Full Version Hd Quality Wiring Diagram Diagramgame1j Centrostudigenzano It
2002 Gmc Sierra 1500 Wiring Diagram Database Wiring Diagram Publisher Publisher Media Piu It
Diagram 2009 Toyota Sienna Wiring Diagram Manual Original Full Version Hd Quality Manual Original Eauclaireblackfriday Trodat Printy 4923 Fr
Dodge Ignition Switch Wiring Diagram Wiring Diagrams Img Random A Random A Farmaciastorelli It
Nissan 1400 Ignition Wiring Diagram Wiring Diagrams General General Adriengirod Fr
Sistem Pengapian Mesin 1nz Fe Mobil Vios Yaris Dan Limo Otomotif Mobil
Coil Packs Won T Fire In 1 Position Tacoma World
Diagram Mitsubishi E Outlander 2008 Wiring Diagram Full Version Hd Quality Wiring Diagram Automobilewiring Ritamorlando It
Toyota Vios Wiring Diagram Pdf Ih 656 Wiring Diagram Gauge Bullet Squier Pas Sayange Jeanjaures37 Fr

Komentar
Posting Komentar